Anyone try these (BX tractor upgrade)?

TheOldHokie

Well-known member
Lifetime Member

Equipment
L3901/LA525, G2160/RCK60, G2460/RCK60
Apr 6, 2021
10,721
5,824
113
Myersville, MD
windyridgefarm.us
Dan all I know is if you push into a pile of lets say wet dirt and just try to lift the bucket it could just sit there. Now using the lift and curling on and off while pushing into the pile at the same time will fill the bucket regardless of whether or not that reduces BOF! My set up is stock and I have no need of a 37% increase as I dont have a problem filling the bucket! I dont even have the relief shimmed as others have there's just no need for it.
I am not recommending anything and I am not disputing your experience.. I am just reporting the physics of the hydraulic circuit.

Simultaneous application of curl and lift will combine the loads into one resulting in loss of force in both. That's why the Kubota manual says not to do it and the joystick diagram does not show that position. Using them "off and on" as is your practice gets you full cylinder force in both directions but not at the same time. It reduces stalling of the bucket fill operation and works better.

Dan

PS> I would not mind a bit more breakout force on my LA525 loader but increasing hydraulic pressure would not be how I would go about getting it. I would increase the bore of the cylinders - much bigger gain and no effect on the rest of the hydraulic system.

Untitled.png
 
Last edited:
  • Like
Reactions: 2 users

mikester

Well-known member

Equipment
M59 TLB
Oct 21, 2017
3,938
2,600
113
Canada
www.divergentstuff.ca
mikester an m59 would be nice but its WAY to big for my 1 acre property! I bought the BX23S to landscape, grade, dig stumps and do drainage projects. Six years ago I was thinking of hiring someone to do the work, but it was cheaper to buy the BX and do it at my leisure! I am near done with projects now and have the best wheelbarrow around to save my back and crippled bones in through my retirement!
The M59 is still a CUT, not a bull dozer, not an excavator,...The idea of trying to buy bigger cylinders to make it lift more is ridiculous IMHO. If I need to lift more I get a bigger machine. Or rent. I needed a compact TLB which is why I sold my full sized one. M59 isn't a full sized machine and I have to live with its limitations.

I'm not making fun of the BX. It has its uses.

Trying to make a 1,500Lbs SCUT lift more than it was designed to safely do doesn't make a lot of sense to me. Unless you enjoy driving on 2 wheels and fixing broken equipment.
 

leveraddict

Well-known member

Equipment
2017 BX23S 60" LP BoxBlade 54" mower 60" BackBlade EA 12" 1 bottom plow & Forks
Apr 1, 2019
905
592
93
NEPA
Well Dan I guess It depends on which manual you look at!
thumbnail (5).jpg


thumbnail (5).jpg
thumbnail (4).jpg
 
Last edited:

TheOldHokie

Well-known member
Lifetime Member

Equipment
L3901/LA525, G2160/RCK60, G2460/RCK60
Apr 6, 2021
10,721
5,824
113
Myersville, MD
windyridgefarm.us
  • Like
Reactions: 1 user

torch

Well-known member

Equipment
B7100HSD, B2789, B2550, B4672, 48" cultivator, homemade FEL and Cab
Jun 10, 2016
2,818
1,062
113
Muskoka, Ont.
Digging depth on a BX loader - really?
Well I don't mean to compare it with a backhoe <lol>. However, the bucket lip should be able to go 2" or 3" lower than the plane of the tires. Due to the geometry of the loader arms, it doesn't take much difference in cylinder length to make a big difference in bucket height -- at either end of the stroke. One wouldn't want to spend time and money on replacement cylinders only to discover the bucket no longer reached the ground!
 
  • Like
Reactions: 1 user

ken erickson

Well-known member

Equipment
B7100 hst, 2650 front mount snowblower, L2501 hst qa loader
Nov 21, 2010
1,301
2,280
113
Waupaca Wisconsin
Well I don't mean to compare it with a backhoe <lol>. However, the bucket lip should be able to go 2" or 3" lower than the plane of the tires. Due to the geometry of the loader arms, it doesn't take much difference in cylinder length to make a big difference in bucket height -- at either end of the stroke. One wouldn't want to spend time and money on replacement cylinders only to discover the bucket no longer reached the ground!
That was my question and concern also . As you were kind to point out, I did re-watch the video and the retracted length, and digging depth was addressed. Thanks!
 

TheOldHokie

Well-known member
Lifetime Member

Equipment
L3901/LA525, G2160/RCK60, G2460/RCK60
Apr 6, 2021
10,721
5,824
113
Myersville, MD
windyridgefarm.us
Well I don't mean to compare it with a backhoe <lol>. However, the bucket lip should be able to go 2" or 3" lower than the plane of the tires. Due to the geometry of the loader arms, it doesn't take much difference in cylinder length to make a big difference in bucket height -- at either end of the stroke. One wouldn't want to spend time and money on replacement cylinders only to discover the bucket no longer reached the ground!
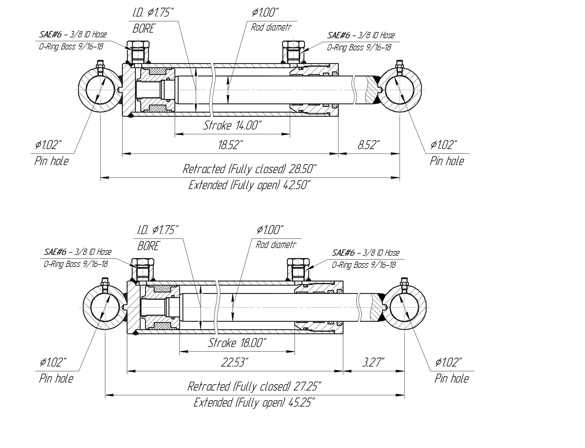
Yes - reaching the ground is important and that is retracted length - you have to be sure its short enough to fully lower the bucket. That is easy to determine by measuring the pin to pin distance on the OEM cylinders when the bucket is lowered and flat on the ground.. Then from there you have stroke - that determines how high the bucket will lift. The relation ship between retracted length and extended length is interesting. Here are two drawings I lifted off the Magister site. Magister is very good at providing complete dimensional data.

This shows two different cross tube cylinders with the same bore but one has a 14" stroke and the other has an 18" stroke. What's not intuitive in that is the one with longer stroke has both a shorter retracted length and a longer extended length. On a loader boom that means greater "digging depth" and higher lift. This is exactly what the guy with the custom cylinders has done.

My point is before spending a bunch of money on his custom cylinders go do some shopping and see what you can find in the way of off the shelf cylinders. You may find something that accomplishes the same thing at half the price.

Dan

stroke2.png
 

torch

Well-known member

Equipment
B7100HSD, B2789, B2550, B4672, 48" cultivator, homemade FEL and Cab
Jun 10, 2016
2,818
1,062
113
Muskoka, Ont.
Well it can't be both can it?

My reference is an LA525 with a serial lift spool circuit. I am sure the phyiscs of that matches the description in the LA525 manual.

Your reference would be basically accurate if the lift spool is a parallel circuit. Whats the WSM for the BX say about the lift circuit?

Dan
Interesting points. I wonder if there is a difference between the control valves for each?

The Kubota system as a whole is serial in nature (ie: open centre). But within my aftermarket joystick control, the pair of spool valves are actually in parallel, supplies isolated from each other by check valves. So long as both spool valves are in neutral, the flow passes through the centre. But if one or the other is moved, the centre flow is blocked and diverted to the check valves. Conversely, when a spool valve is centered, the flow through the corresponding check valve is blocked.

Obviously, when all spool valves are centered, the system pressure is near 0, flowing freely back into the tank. However when one is moved, the pressure increases until it is high enough to overcome the load applied to the respective cylinder(s) and they start moving. If they can't move (eg: end of stroke or overloaded) then the pressure is limited by the relief valve setting.

The pressure is approximately equal throughout the system. So what happens if two spools are moved at the same time? The pressure will rise until one or the other begins to move -- whichever one has less load to push against. As the load increases, the pressure will rise until it is high enough to overcome the force against the second set of cylinders. At this point, both sets will be in motion -- until one or the other reaches the limit of extension and/or pressure exceeds the relief valve setting -- however, the volume of fluid (not the pressure) will be divided between the two and the speed of each will be roughly half of when only one function is active at a time.

If pressure is still below the relief valve setting, the other will continue moving until it reaches the end of it's stroke. Speed of movement will increase since the flow is no longer divided.

The net result is that each cylinder will extend (or retract) to the same extent whether the spool valves are actuated one at a time or simultaneously. However, if the spool valves are operated to fully open simultaneously, the movements will be somewhat erratic and unpredictable.

The operator must feather the controls to ensure simultaneous movement. Not only does feathering the controls potentially slow combined operations, at small settings there is the potential that the open centre of one or the other will not be fully closed yet -- and that leakage will certainly limit the pressure buildup and therefore the applied force.
 

torch

Well-known member

Equipment
B7100HSD, B2789, B2550, B4672, 48" cultivator, homemade FEL and Cab
Jun 10, 2016
2,818
1,062
113
Muskoka, Ont.
My point is before spending a bunch of money on his custom cylinders go do some shopping and see what you can find in the way of off the shelf cylinders. You may find something that accomplishes the same thing at half the price.
Always good practice.

But don't just look at the stroke lengths, etc. Be sure to look at the mounts on either end of the cylinder. Will they fit in the available space? Can they (or the tractor) be "filed to fit"? If so, will other factors like port locations cause interference? Will the required modification(s) weaken the system?

I think, given your extensive knowledge and experience in the field, that such issues would be intuitive for you, personally. However for someone of average knowledge and experience, I can see the appeal of spending a bit more for a proven solution.
 
  • Like
Reactions: 1 user

TheOldHokie

Well-known member
Lifetime Member

Equipment
L3901/LA525, G2160/RCK60, G2460/RCK60
Apr 6, 2021
10,721
5,824
113
Myersville, MD
windyridgefarm.us
Interesting points. I wonder if there is a difference between the control valves for each?

The Kubota system as a whole is serial in nature (ie: open centre). But within my aftermarket joystick control, the pair of spool valves are actually in parallel, supplies isolated from each other by check valves. So long as both spool valves are in neutral, the flow passes through the centre. But if one or the other is moved, the centre flow is blocked and diverted to the check valves. Conversely, when a spool valve is centered, the flow through the corresponding check valve is blocked.

Obviously, when all spool valves are centered, the system pressure is near 0, flowing freely back into the tank. However when one is moved, the pressure increases until it is high enough to overcome the load applied to the respective cylinder(s) and they start moving. If they can't move (eg: end of stroke or overloaded) then the pressure is limited by the relief valve setting.

The pressure is approximately equal throughout the system. So what happens if two spools are moved at the same time? The pressure will rise until one or the other begins to move -- whichever one has less load to push against. As the load increases, the pressure will rise until it is high enough to overcome the force against the second set of cylinders. At this point, both sets will be in motion -- until one or the other reaches the limit of extension and/or pressure exceeds the relief valve setting -- however, the volume of fluid (not the pressure) will be divided between the two and the speed of each will be roughly half of when only one function is active at a time.

If pressure is still below the relief valve setting, the other will continue moving until it reaches the end of it's stroke. Speed of movement will increase since the flow is no longer divided.

The net result is that each cylinder will extend (or retract) to the same extent whether the spool valves are actuated one at a time or simultaneously. However, if the spool valves are operated to fully open simultaneously, the movements will be somewhat erratic and unpredictable.

The operator must feather the controls to ensure simultaneous movement. Not only does feathering the controls potentially slow combined operations, at small settings there is the potential that the open centre of one or the other will not be fully closed yet -- and that leakage will certainly limit the pressure buildup and therefore the applied force.
That is not how the current generation of Kubota loader valves works. The boom spool is serial and exhaust oil from the service ports is routed to power beyond not tank.

If you shift the bucket and boom spools simultaneously the boom cylinders will be in series with the bucket cylinders and they will all move together in synch regardless of which load is greater. This greatly improves operator control but it means the loads are combined at the pressure inlet of the boom cylinders.. If that combined load is greater than the lift capacity of the boom cylinders both functions stall.
Similarly if the bucket hits end of travel it will stall the boom function.

I looked at the WSM for the most recent crop of BX tractors - they all have serial boom spools.

I also looked at the operators manuals for a lot of other loaders that curl and lift langiage is used in most of them. Its not clear to me what they are saying but I notice none of the joystick diagrams in those manuals shows that combined position.

What is clear is on any loader valve with a serial boom spool (last couple decades) that position will result in reduced force for both functions.

Dan
 
Last edited:
  • Like
Reactions: 1 user

torch

Well-known member

Equipment
B7100HSD, B2789, B2550, B4672, 48" cultivator, homemade FEL and Cab
Jun 10, 2016
2,818
1,062
113
Muskoka, Ont.
That is not how the current generation of Kubota loader valves works. The boom spool is serial and exhaust oil from the service ports is routed to power beyond not tank.
Interesting. It's quite possible that owner's manuals are offering incorrect information based on older designs.

For the record, this is from the Brand Hydraulics aftermarket loader control (joystick style) that I have:

"
LV – GENERAL INFORMATION
The Brand LV22, loader directional control valve, is a superbly designed two spool mono-block valve suitable for
Front End Loaders. The LV22 offers two parallel, tandem center 4-way work sections available with two of the
following spool actions: float, regenerative or spring-to-center. The valve is also field convertible to closed center or
power beyond with the appropriate cartridge."
Brand_loader_valve_schematic.jpg
 

TheOldHokie

Well-known member
Lifetime Member

Equipment
L3901/LA525, G2160/RCK60, G2460/RCK60
Apr 6, 2021
10,721
5,824
113
Myersville, MD
windyridgefarm.us
Interesting. It's quite possible that owner's manuals are offering incorrect information based on older designs.

For the record, this is from the Brand Hydraulics aftermarket loader control (joystick style) that I have:

"
LV – GENERAL INFORMATION
The Brand LV22, loader directional control valve, is a superbly designed two spool mono-block valve suitable for
Front End Loaders. The LV22 offers two parallel, tandem center 4-way work sections available with two of the
following spool actions: float, regenerative or spring-to-center. The valve is also field convertible to closed center or
power beyond with the appropriate cartridge."
Yes - your Brand valve is a purely parallel valve. A current generation Kubota loader valve is not. I think the Kubota manuals (especially older ones) are written by people with a limited command of the English language, an incomplete/inaccurate understanding of what they are tasked with describing, and difficulty translating what they think they know into an understandable narrative.

Here is the schematic for lift on a BX1870 loader valve. While we have the popcorn munchers attention I am going to point out a couple nuances. Hopefully my English skills and editorial abilities are up to it.
  1. The service ports are not fed by the power beyond gallery. They are fed by a parallel internal (aka power) gallery that is actually closed center. When a spool is shifted the open center power beyond gallery is CLOSED and the oil is diverted to a parallel and dead ended (closed center) power gallery. This is true of the Brand valve, Kubota valves, and most other directional control valves.
  2. The load check valve is located between both service ports and the power gallery. Its purpose is to isolate the service port that is being pressurized from the power gallery until pressure in the power gallery rises to match any external service port pressure. That prevents any load being held at the service port from momentarily dropping as the service port is opened. This is why it is called a load check and is how the Brand valve, Kubota valves, and just about every other directional valve works.
  3. On the Kubota valve return oil from the unpressurized service port is not routed to tank. It is routed to the PB gallery downstream of the boom spool where it becomes input to the bucket spool. This is unlike the Brand valve and most commodity directional control valves.
  4. On the Kubota valve if the bucket spool is shifted at he same time the lift spool is shifted the lift cylinders are fed by exhaust oil from the bucket cylinders and the boom and bucket cylinders are in series. This is not the way your Brand valve works. In the Brand valve the bucket spool would be fed off the same power gallery as the lift spool and the bucket and lift cylinders would be in parallel.
Sounds of people chomping wildly on popcorn fills the air....

Dan

Untitled.png
 
  • Like
Reactions: 1 user

torch

Well-known member

Equipment
B7100HSD, B2789, B2550, B4672, 48" cultivator, homemade FEL and Cab
Jun 10, 2016
2,818
1,062
113
Muskoka, Ont.
Yes - your Brand valve is a purely parallel valve. A current generation Kubota loader valve is not. I think the Kubota manuals (especially older ones) are written by people with a limited command of the English language, an incomplete/inaccurate understanding of what they are tasked with describing, and difficulty translating what they think they know into an understandable narrative.
Yes, there's a paragraph in the B7100 service manual that states the hydraulic system is "closed centre" -- clearly an error. This could well be the case here.
 

airbiscuit

Well-known member

Equipment
New Holland T2310, New Holland TC21D, Kubota l3010 GST, Farmall H
Mar 18, 2021
324
337
63
NW WI
I'm thinking that many would want that increased lift capacity when using forks.
 

torch

Well-known member

Equipment
B7100HSD, B2789, B2550, B4672, 48" cultivator, homemade FEL and Cab
Jun 10, 2016
2,818
1,062
113
Muskoka, Ont.
  1. On the Kubota valve if the bucket spool is shifted at he same time the lift spool is shifted the lift cylinders are fed by exhaust oil from the bucket cylinders and the boom and bucket cylinders are in series.
So the lift cylinder force is limited by the backpressure caused by applying pressure to the curl cylinder. And the curl cylinder is in turn limited by the pressure from the surface area of the lift cylinder less the surface area occupied by the lift cylinder rod, correct?

As an example, let us assume 1" OD rods and 2" ID cylinders and a relief valve setting of 2,000 psi (for round numbers). Further, let us assume the boom cylinders lift by extension and the bucket cylinders curl by retraction.

The surface area under extension is 3.14 sq. in. The rod consumes .79 sq. in. so the surface area under retraction is 2.35 sq. in.

The lift cylinders can exert a maximum of 6,283 lbs of extension force when used alone. But with the curl cylinder simultaneously engaged, the backpressure drops that to 4,700 lbs (~75%)

The curl cylinders can exert a maximum of 4,700 lbs of retraction force when used alone. But with the lift cylinder simultaneously engaged, the pressure reduction caused by the lift cylinder ratio drops that to 3,515 lbs. (also about 75%)
 

TheOldHokie

Well-known member
Lifetime Member

Equipment
L3901/LA525, G2160/RCK60, G2460/RCK60
Apr 6, 2021
10,721
5,824
113
Myersville, MD
windyridgefarm.us
So the lift cylinder force is limited by the backpressure caused by applying pressure to the curl cylinder. And the curl cylinder is in turn limited by the pressure from the surface area of the lift cylinder less the surface area occupied by the lift cylinder rod, correct?

As an example, let us assume 1" OD rods and 2" ID cylinders and a relief valve setting of 2,000 psi (for round numbers). Further, let us assume the boom cylinders lift by extension and the bucket cylinders curl by retraction.

The surface area under extension is 3.14 sq. in. The rod consumes .79 sq. in. so the surface area under retraction is 2.35 sq. in.

The lift cylinders can exert a maximum of 6,283 lbs of extension force when used alone. But with the curl cylinder simultaneously engaged, the backpressure drops that to 4,700 lbs (~75%)

The curl cylinders can exert a maximum of 4,700 lbs of retraction force when used alone. But with the lift cylinder simultaneously engaged, the pressure reduction caused by the lift cylinder ratio drops that to 3,515 lbs. (also about 75%)
You have the idea but you don't need to go through all of that.

in a series circuit the load at the rod end of the bucket cylinders is added to the load at the rod end of the lift cylinders. It's purely additive. if the bucket cylinder rods are applying 2000 pounds of force the maximum force at the lift cylinder rods is reduced by 2000 pounds

In a parallel circuit the load at the bucket cylinder rods is not seen by the lift cylinders.

Dan
 
Last edited:

Soopitup

Active member

Equipment
BX23S
Oct 25, 2018
369
164
43
New England
I did some searching and I didn't have any luck finding cylinders that fit.
The factory BX cylinders seem to be very short. I couldn't find ones short enough to match the compressed length. Even for factory diameter.
I didn't do an exhaustive search; I definitely could have missed something.

Here are the measurements I got.
Pins are .75 inches.
Rod end width closer to the operator is 1.57 inches.
Rod end width closer to the bucket is 1.95 inches.
Fully compressed (bucket is below grade) is 20 5/8 inches (I could be off a few .01s).
Fully extended is 33 3/8 inches.
Length was measured center of pin to center of pin.
Also want to make sure the zerc is still accessible.
At the operator end it's on the bottom of the rod end.
At the bucket end it's on the end of the rod end.
Hose fitting at the operator end is on top and aprox 2 inches from the end of the shaft.
Hose fitting at the bucket end is on top and approx 3.25 inches from the end of the shaft.
Hose fittings (ports) are 9/16 ORB?

I'm thinking that many would want that increased lift capacity when using forks.
Exactly! I don't need much more for the bucket.
Not even necessarily lifting more weight, though that would be nice too, but being able to lift the same amount without it all shoved up close to the pins. I can lift 14 40# bags of pellets with the forks, but they all have to be crammed up against the frame. I can't lay that out on the pallet.

That was my question and concern also . As you were kind to point out, I did re-watch the video and the retracted length, and digging depth was addressed. Thanks!
Was it fully addressed? It didn't seem to be to me? It seemed more like he glossed over it.
Those pistons can lower the loader to the ground, but the factory ones can lower it below grade. It doesn't look like those pistons can go any lower than grade. They seem to be fully compressed with it on the ground, while the factory ones still have a few inches to go.
The extra height would come in handy sometimes, but I don't like losing the digging depth.

The M59 is still a CUT, not a bull dozer, not an excavator,...The idea of trying to buy bigger cylinders to make it lift more is ridiculous IMHO. If I need to lift more I get a bigger machine. Or rent. I needed a compact TLB which is why I sold my full sized one. M59 isn't a full sized machine and I have to live with its limitations.

I'm not making fun of the BX. It has its uses.

Trying to make a 1,500Lbs SCUT lift more than it was designed to safely do doesn't make a lot of sense to me. Unless you enjoy driving on 2 wheels and fixing broken equipment.
If you just want/need a slight increase it's much cheaper to get bigger cylinders than buy a larger tractor. And much easier to have that capability on your machine instead of having to go rent any time you need it.
Not to mention if you have the space for a larger one, or fitting it between things.
Smaller tractors aren't bought only because they're cheaper.
I bought a BX instead of a B because of the size. Plus the BX is lower to the ground, which helps makes it more stable than a B in rough terrain.

Literally everything you buy is over engineered beyond what the allowed specs are. Which gives you a margin of error you can safely play with.
Adding 200#s to the lift capacity for occasional use is a far cry from trying to get 2000#s out of the loader for every day use.
There's nothing wrong with improvements if they're done wisely.
 
  • Like
Reactions: 2 users

DustyRusty

Well-known member

Equipment
WAS BANNED FOR NSFW PICS
Nov 8, 2015
6,518
5,157
113
North East CT
Posted in the wrong thread in the wrong forum. Sorry about the mistake.
 
Last edited:
  • Love
  • Like
Reactions: 2 users