Bear with me, this isn’t easy on a phone.
Here is power flow when you turn the key to start.
View attachment 68240
View attachment 68260
This connection from the starter solenoid to the pull circuit is used to direct the flyback voltage when the starter solenoid disengages. This will maintain the hold circuit during the ignition switch transition from start to run.
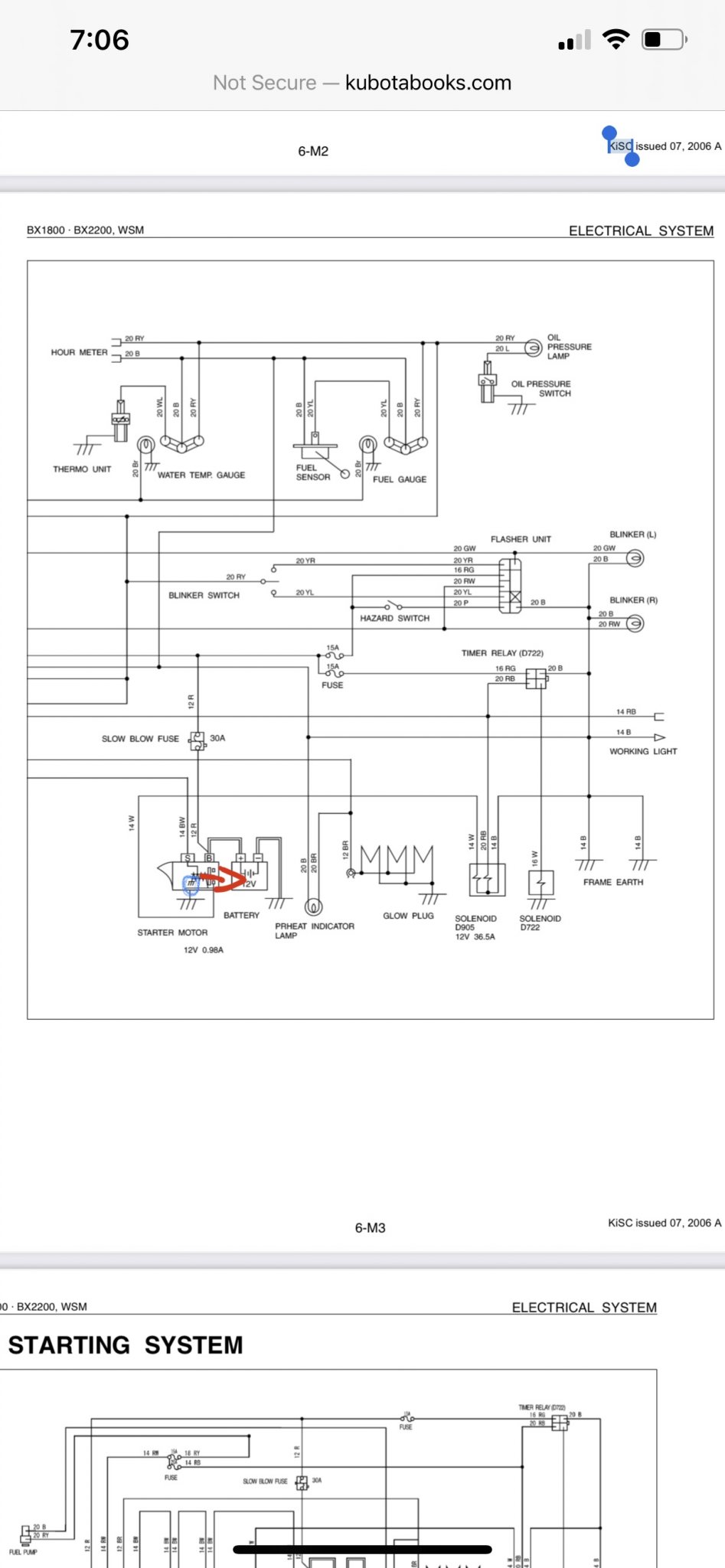
First it should be said that Kubota schematic drawings are not always accurate and often confusing. So unless you actually have had a BX2200 starter apart and traced the wiring and internal component connections, you are making a huge assumption that what is shown, internally to the starter, is actually the way things are.
Further, believing the inductive kick of the solenoid produces enough energy to hold the low resistance start coil in, is unrealistic. But even if it could for a short time, the starter would be disengaged at that moment, the engine would stop turning, and the fuel would not be delivered in time for the engine to start.
On top of that, if the system actually did work like you think, why would the starter motor NOT turn when the fuel cut off solenoid is unplugged, or left plugged in but physically removed from the engine? This is NOT speculation, but a fact with my BX2200.
The moment the starter starts to turn, the run coil pulls the fuel cutoff solenoid armature in, and the hold coil, that is already energized, holds the armature in the run position. From that point forward the run coil is out of the picture as far as normal operation goes.
There is no timer relay on the BX2200. It is used on the BX1800. Another example of Kubota drawing confusion if one does not realize this.
I think your posts have a lot of correct detail, and will be helpful so someone in the future. But you seem to dispute
what is indeed fact with respect to MY BX2200.
I do not doubt that the OP's BX2200 acts differently. And that his has a 3 wire connector while mine has 2 wires. AND the only reason I can imagine it is so, is because it possibly could share the wiring setup of the following model. Or maybe there was a change made in the middle of the production run. I do not know what the actual reason might be.
I hope what has turned into a debate is helpful to someone in the future...