whitetiger
Moderator
Staff member
Equipment
Kubota tech..BX2370, RCK60, B7100HST, RTV900 w plow, Ford 1100 FWA
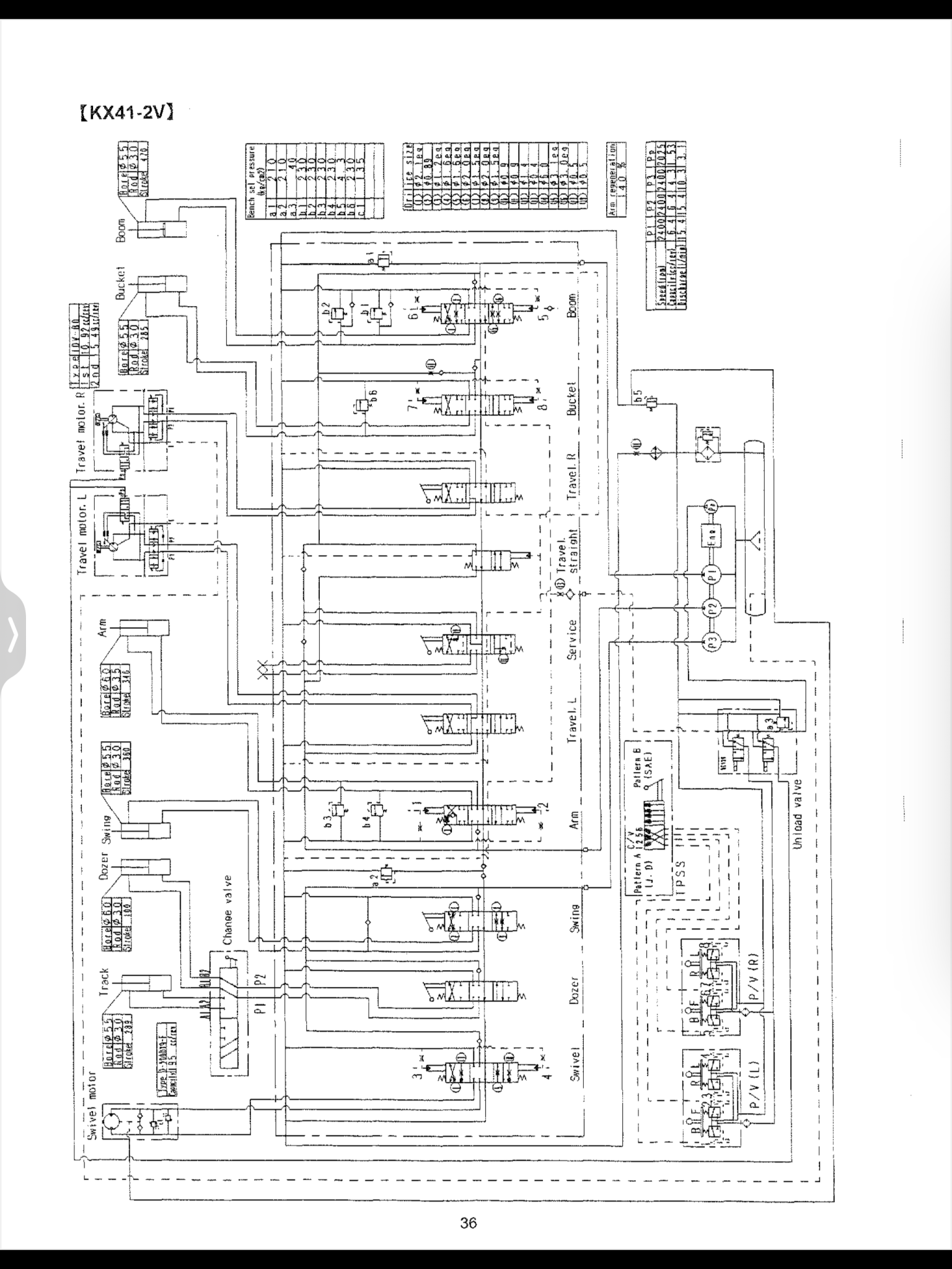
There is a lever on a directional block under the RH cover of your machine that you MUST place in the low-pressure return to the tank. Its other position runs the oil through the Aux control valve.The flail mower I would like to rent has 2 connections, a pressure line and a low pressure tank return line (case drain? or is that something else?). But since it has 2 connections I expect a lot of oil going to the return line.
One position is for operating pressure to either of the 2 ports for a thumb. The other position is to return oil directly into the tank rather than pushing it through the control valve. It is used for an orbital motor or a breaker/hammer etc.


