Snowblower Flange/Shear Pin Question

lakergrad

New member
Mar 4, 2020
25
2
3
Gaylord, MI
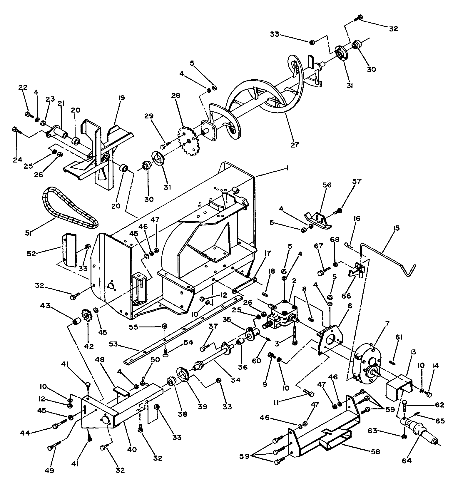
I’m probably going to get roasted, but I’m going to ask anyway. I broke an impeller shear pin on my front mount snowblower last year and replaced it with a grade 8 bolt, which sheared this year (a couple have actually). I realized today the impeller flange and the drive flange (the parts connected by the shear bolt) have about a 3/4 gap between them. Honestly, I‘ve never noticed if that was always that way or not, but I’m guessing they should be flush when connected. If so, any ideas on what may have caused this separation? Thanks in advance!
 
Last edited:

GreensvilleJay

Well-known member

Equipment
BX23-S,57 A-C D-14,
Apr 2, 2019
13,308
5,953
113
Greensville,Ontario,Canada
I won't roast you, you did what you had to do to get rid of white, BTDT.
My suggestions....

1st, yes pictures or SB model number will help ! though you need >5 text posts to post a picture,so model number will work and Tractor model number.

2nd, please use Grade 5 bolts or proper OEM shear bolts.

3rd, sounds like the driven shaft has been 'misaligned',possibly during the 1st impact. the flanges should be 'tight' to each other.

4th . welcome !
 
  • Like
Reactions: 1 users

BAP

Well-known member
Lifetime Member

Equipment
2012 Kubota 2920, 60MMM, FEL, BH65 48" Bush Hog, 60"Backblade, B2782B Snowblower
Dec 31, 2012
3,078
1,213
113
New Hampshire
Make and model of snowblower you are talking about goes a long way to helping diagnose your problem.
 

Spam Bot

Active member

Equipment
Windows Computer
Aug 3, 2024
122
86
28
Austin, Minnesota/Key West FL
It is a front-mounted snowblower, so the model number doesn't matter much, since this only happens with chain-drive snowblowers. His problem is that the keyed gear that the chain turns has slipped, and it is moving in and out. The cure is to remove the snowblower from the tractor and remove the 8" bolt that holds the rear cover on, which protects the chain. Then start dismantling the drive, starting with the chain. Remove the sprocket gear and ensure the key and keyway are not damaged. Then go to the front of the snowblower, and bolt the fan shear plate to the drive plate with a Grade 5 shear pin. Then return to the rear of the snowblower and start replacing the parts you removed to check for damage. You will need to align the upper sprocket with the lower sprocket. Next, loosen the adjustment bolts on each side that adjust chain tension, then reinstall the chain. If you don't mind working with greasy hands, soak the chain in a container of chain bar oil to lubricate it. Once the chain is back on the sprocket, adjust chain tension. I would use red Locktite on the set screws and make sure that they are tight.
If you continue to use grade 8 bolts for shear bolts on the fan, you are going to do damage to the snowblower and the fan. Don't forget to change the front gearbox oil at the end of every snowblower season. The 3/8" hex nut on the top with the pop-up pin in the center is a vent. When the snowblower gearbox gets warm, it vents the warm air inside the gearbox to the atmosphere. As it cools, it draws in moisture, and it condenses inside the gearbox and mixes with the gear oil. That is why it should be changed every year. To drain it, heat the Allen-head screw at the front of the gearbox until the Locktite bond breaks, then remove it. Then flip the snowblower over on its face and drain the gear oil into a pan. While the front allen screw is out, fill the gearbox till the gear oil runs out of the front screw hole. Best to do this when the weather is in the high 80s, not in the middle of winter.
 
  • Like
Reactions: 1 user

BAP

Well-known member
Lifetime Member

Equipment
2012 Kubota 2920, 60MMM, FEL, BH65 48" Bush Hog, 60"Backblade, B2782B Snowblower
Dec 31, 2012
3,078
1,213
113
New Hampshire
It is a front-mounted snowblower, so the model number doesn't matter much, since this only happens with chain-drive snowblowers. His problem is that the keyed gear that the chain turns has slipped, and it is moving in and out. The cure is to remove the snowblower from the tractor and remove the 8" bolt that holds the rear cover on, which protects the chain. Then start dismantling the drive, starting with the chain. Remove the sprocket gear and ensure the key and keyway are not damaged. Then go to the front of the snowblower, and bolt the fan shear plate to the drive plate with a Grade 5 shear pin. Then return to the rear of the snowblower and start replacing the parts you removed to check for damage. You will need to align the upper sprocket with the lower sprocket. Next, loosen the adjustment bolts on each side that adjust chain tension, then reinstall the chain. If you don't mind working with greasy hands, soak the chain in a container of chain bar oil to lubricate it. Once the chain is back on the sprocket, adjust chain tension. I would use red Locktite on the set screws and make sure that they are tight.
If you continue to use grade 8 bolts for shear bolts on the fan, you are going to do damage to the snowblower and the fan. Don't forget to change the front gearbox oil at the end of every snowblower season. The 3/8" hex nut on the top with the pop-up pin in the center is a vent. When the snowblower gearbox gets warm, it vents the warm air inside the gearbox to the atmosphere. As it cools, it draws in moisture, and it condenses inside the gearbox and mixes with the gear oil. That is why it should be changed every year. To drain it, heat the Allen-head screw at the front of the gearbox until the Locktite bond breaks, then remove it. Then flip the snowblower over on its face and drain the gear oil into a pan. While the front allen screw is out, fill the gearbox till the gear oil runs out of the front screw hole. Best to do this when the weather is in the high 80s, not in the middle of winter.
This is where knowing what model is important so that the correct advice can be given. You are having him take everything apart when it’s possible that all he needs to do is loosen the Allen screws holding the shear bolt flange and slide it on the shaft back into place. Or possibly the whole shaft has moved, then he needs to loosen up the lock collars for the bearings and slide the shaft. The gear moving is only one of many possible reasons why things don’t line up correctly.
 
  • Like
Reactions: 1 user

lakergrad

New member
Mar 4, 2020
25
2
3
Gaylord, MI
Thanks, guys! I was sent out of town so haven’t been able to take photos. The tractor is a L3600 and I believe the blower is a L2052. I’ll be able to post pics tomorrow. Thx!
 

Orange1forme

Active member

Equipment
B2650 HSDC, filled tires, wheel spacers, B2728B , LA534A FEL, 3rd valve kit
Dec 1, 2018
401
65
28
Wa
I was able to find the same shear bolts at a local supply place(can't think of the name) that sells nuts, bolts, hydraulic hoses and similar.
They sell them quite inexpensively as compared to Kubota.
 

Blue2Orange

Active member

Equipment
BX2380 with LA344S & QH05. SB1051. SG0554. BB1248. RB0560, Vassar dirt bucket
Apr 3, 2025
295
182
43
Bayview Township
Different snowblower. Same part. Had to go the dealer to source the impeller shear bolt. Made in Italy M8s of a unusual to me hardness cl6.6 IIRC. Old memory, but I thing they were ~$2.74 each including the washers. Guessing your Kubota dealer should stock the OEM shear bolts. When it comes to shear bolts I rather pay the extra, if any costs for real shear bolts and correct hardness.
 

North Idaho Wolfman

Moderator
Staff member
Lifetime Member

Equipment
L3450DT-GST, Woods FEL, B7100 HSD, FEL, 60" SB, 743 Bobcat with V2203, and more
Jun 9, 2013
34,610
9,841
113
Sandpoint, ID
Yea I hope for your sake that the bolt just backed out.
Otherwise you're pulling the gearbox and trying to get the broken bolt out of the shaft.
Use good loctite on the replacement bolt.