L2201DT rear reduction gear lube?

DaTow'd

Active member

Equipment
what ever it takes to get the job done
Aug 13, 2013
233
220
43
Bella Coma BC Canada
During this last real cold weather the hydraulics froze up and the transmission oil looked real creamy so I figure it has water in it. The tiller would not raise and the loader did not move until I had the tiger torch warm things up.
I have the tractor up on my hoist and drained the transmission and both rear reductions. The reduction gears had clear fluid come out. But I could not tell what weight oil was in it.

Any Idea what lube goes in the transmission and reduction gear boxes and how much in each?
thanks for the help
Hank
 

007kubotaguy

Well-known member
Lifetime Member

Equipment
B7100DT L245DT JD 2355
Dec 23, 2012
691
300
63
Herald Calif.
The transmission rear differential and the two final drives should all be one common fluid. A good quality tractor hydraulic fluid. I believe you also have a cleanable screen in the rear axle housing that you will want to clean. Access would be under the left floor board on the side of the housing the small cover with two 12 mm head bolts retaining it.
 
  • Like
Reactions: 1 user

Russell King

Well-known member
Lifetime Member

Equipment
L185F, Modern Ag Competitor 4’ shredder, Rhino tiller, rear dirt scoop
Jun 17, 2012
7,257
2,681
113
Austin, Texas
Thanks I'll look for the cover and screen
cheers
Hank
Drain fluid first BEFORE you remove the cover. You may have several drain points. Some on the sheet metal of the rear wheel drive system. Look from the center line of tractor out towards the rear wheel.
 

DaTow'd

Active member

Equipment
what ever it takes to get the job done
Aug 13, 2013
233
220
43
Bella Coma BC Canada
Anybody know how much oil for the main gear box. I got about 12 L oil out? I could put fresh 12L in but want it full. No dip stick that I've found.
thanks
Hank
 

North Idaho Wolfman

Moderator
Staff member
Lifetime Member

Equipment
L3450DT-GST, Woods FEL, B7100 HSD, FEL, 60" SB, 743 Bobcat with V2203, and more
Jun 9, 2013
35,033
10,269
113
Sandpoint, ID
I was going over some of the other questions asked on this site and came up with
https://www.orangetractortalks.com/forums/attachments/l-series-capacities-pdf.75932/
and see that the transmission gear oil is 90w but what I drained out was Not 90w.
My front end loader uses the transmission fluid.
No listing of the rear final drive type of oil?
You can safely and effectively use hydraulic fluid in all the cases on that machine.

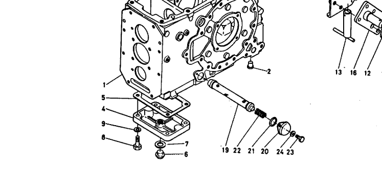
This is similar where your screen will be:


1739906026673.png


Anybody know how much oil for the main gear box. I got about 12 L oil out? I could put fresh 12L in but want it full. No dip stick that I've found.
thanks
Hank
There will be a plug on the side of the clutch housing (what we normally think of as thee transmision), that you fill till you get to that level.
Make sure you remove the bolt with the sealing washer and not any others.

1739906301296.png
 

billrigsby

Well-known member

Equipment
L1500DT Too many implements, or is there such a thing?
Mar 17, 2015
1,048
227
63
Florissant CO USA 8213'
www.facebook.com
You can safely and effectively use hydraulic fluid in all the cases on that machine.

This is similar where your screen will be:


View attachment 148788



There will be a plug on the side of the clutch housing (what we normally think of as thee transmision), that you fill till you get to that level.
Make sure you remove the bolt with the sealing washer and not any others.

View attachment 148789
That is where my filter is, and one of the holes was stripped 'to a point'.
I did the Redneck thing and put a couple of tooth picks in the hole, then the bolt,
temporarily.
Which, I hate to admit has lasted from around 2016 to present, with no leaks!

Let the flogging begin!
I deserve it!
 
  • Haha
Reactions: 1 user

Russell King

Well-known member
Lifetime Member

Equipment
L185F, Modern Ag Competitor 4’ shredder, Rhino tiller, rear dirt scoop
Jun 17, 2012
7,257
2,681
113
Austin, Texas
Anybody know how much oil for the main gear box. I got about 12 L oil out? I could put fresh 12L in but want it full. No dip stick that I've found.
thanks
Hank
Here is a picture from my L185 of the fill level plug painted red so it is obvious which one to remove
IMG_2985.jpeg
 
  • Like
Reactions: 1 users

DaTow'd

Active member

Equipment
what ever it takes to get the job done
Aug 13, 2013
233
220
43
Bella Coma BC Canada
I found the top level drain plug and fill it OK and found that the final drive gear boxes are also getting their lube from the main lube fill aft of the shifter .
Also did engine oil change and filter. I need to order a fuel filter.
I'll add lube to front drive axles and get the grease gun going tomorrow.
Since I have the tractor up on my 2 post hoist I'll spend some time cleaning the twisted things out of the rototiller tines.
Thanks for the help